港彩之家论坛,新址二四六天天彩免费资料亮点,脑筋急转弯500道题带答案,王中王493333中特马,2025新澳门全年开马结果

400-6388-667食品 / 制药 / 化妆品机械

当前位置:首页产品中心高剪切乳化机 高剪切乳化机

EMUL系列高剪切乳化机

EMUL系列高剪切乳化机
发布日期:[2018-09-25]     点击率:

EMUL系列高剪切乳化机是本企业吸取消化国外技术和工艺研制开发生产的新产品。高剪切乳化机搅拌头结构,集分散、溶解、乳化、粉碎四大功能于一-体, 能有效地为您解决各种混合难题。转子与定子的精密配合,确保了被加工物料每分钟受到几十万次的高速剪切,这是本设备成功的关键。是取代胶体磨、球蘑机、均质机的理想设备。


上一条信息:釜底高剪切乳化机  下一条信息:高剪切乳化机
产品概述
性能参数

EMUL系列高剪切乳化机是本企业吸取消化国外技术和工艺研制开发生产的新产品,各项指标达到国内水平。产品质量符合GMP技术要求IS09001认证产品,是食品、饮料、化工、生化、石化,颜料、染料、涂料、制药等领域必不可少乳化均质机械设备,对油包水和水包油物料的乳化和均质有较好的效果。企业生产的EMUL系列高剪切乳化机总体结构简单、体积小、重量轻、易操作、噪音低及运转平稳诸优点,其具有大特点在生产工艺流程中不采用研磨介质,集高速剪切、分散、乳均、均质、混合、破碎,输送于一体,为企业提高工作效率,节省每个乳化均质过程所需的时间。


应用范围:

化学工业:油漆、颜料、染料、涂料、润滑油、合成脂、润滑脂、柴油、石油催化剂、乳化沥青、改性沥青、石腊、胶粘剂、洗涤剂、塑料、炸药、玻璃钢、合成革、树脂、塑料、皮革及乳化炸药等。

食品工业:辣椒酱、芝麻、果茶、冰淇淋、奶油、果酱、果汁、大豆、豆酱、豆沙、花生奶、蛋白奶、豆奶、乳制品,麦乳精、香精、调味品、各种食品饮料等。

医药工业:各型糖浆、营养液、中成药、膏状药剂、生物制剂、鱼肝油、花粉、蜂皇浆、疫苗、各种药膏、各种口服液、杀菌剂、针剂、抗菌素、微胶囊及静滴液等。

日用化工:牙膏、洗涤剂、面霜、唇膏、洗面奶、洗发精、鞋油、化妆品、沐浴精、肥皂、混疑剂、香料及香脂等。

造纸工业:纸浆、胶黏剂、松香乳化、造纸助剂、树脂乳化等。

建筑工业:各种涂料。包括内外墙涂料、防腐防水涂料、冷瓷涂料、多彩涂料、陶瓷釉料、纳米涂料及喷涂等。

其它工业:纺织工业、煤炭浮选剂、稀土、纳米材料分散解聚、反应萃取及军工等领域。

农药工业:杀菌剂、种衣剂、除草剂、农药乳油、化肥、生化农药、生物农药等


高剪切乳化机的特征:

●适用于常压、密闭工况

●适用温度:-40℃~140℃,超出温度范围需要定制

●适用于分散、乳化、均质、溶解

●电源:380V、50/60Hz

●接触物料材料:304/316L,特殊材料需要定制

●轴套材料:铜/PTFE,特殊材料需要定制

●密封形式:骨架密封

●可选配工作头:F5、F6、F7、F8


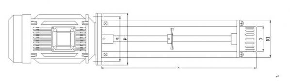
高剪切乳化机的主要参数和尺寸

型号

功率KW

转速 rpm

处理量L

D

D1

P

L

M

EMUL 90

1.5

2900

5-50

80

140

200

355

165

EMUL 100

2.2

2900

50-100

88

145

200

650

165

EMUL 120

4

2900

100-300

120

180

250

750

215

EMUL 140

7.5

2900

200-800

140

210

300

900

265

EMUL 160

11

2900

300-1000

160

230

350

1050

300

EMUL 180

18.5

2900

500-1500

180

260

350

1200

300

EMUL 200

22

1450

800-2000

200

270

350

1200

300

EMUL 220

30

1450

1000-3000

240

320

400

1355

350

EMUL 240

37

1450

1500-5000

260

340

400

1395

350

高剪切乳化机结构图


查看厂家其他热门产品:杀菌锅灭菌机不锈钢发酵罐乳化罐浓缩提取设备果酒生产线制冷罐

产品中心
products center

联系我们

了解更多我们的详细信息,请致电
400-6388-667

或给我们留言

回到顶部
主站蜘蛛池模板: 80s电影网喜剧迅雷| 2024体育类专科| 郑州昨晚的雨有多大| 2025新澳正版资料今晚| 澳门开奖记录开奖结果2024年94期 | 美好的普通人 电影免费观看| 精灵鼠小弟3国语版免费| www.51电影网| 香港挂牌正版挂图2024年| 新澳门近50期历史记录表| 刘伯温三期内必开一期| 习近平总书记这样指示防汛救灾工作 | 澳门跑图狗图2024| 澳门123开奖2021年开奖记录| 2024新奥历史开奖直播| 哪里有物流运输| 澳门精准资料期期精准每天更新澳门| 今晚新澳最准确的生肖| 新澳开奖结果今日查询| 体育学术期刊期刊| 77影视高清在线| 好看的灾难电影排行榜| 二手狮王在线观看高清| 澳门六开彩天天正版资料查询| 超凡蜘蛛侠2免费观看在线高清完整版国语 | 澳门免费大全资料2023年| 77026cm澳门资料| 六开奖香港开结果记录历史2023| 体育国家期刊有哪些| 马会开将结果| 他是谁电视剧在线观看全集免费高清| 2024新澳全年资料| 澳门铁盘算盘六合| 澳门王中王 57447·com| 澳门六合资料查询| 1—36集电视剧免费观看全集| 2024澳门正版资料免费大全版| 2020年澳门天天彩开奖结果0| 澳门心水网址| 4949免费资料2024年| 不用交vip的追剧软件|